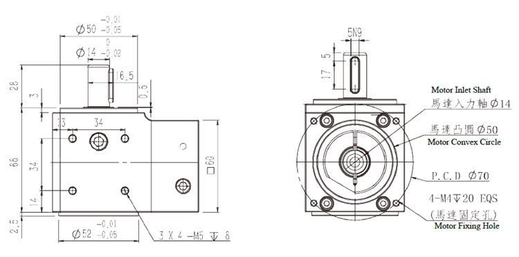
Số mô hình bộ giảm tốc 90 độ của GIGAGER GSZ60-02K-SV và GSZ60-03K-SV với kích thước khung 60mm bánh răng tỷ lệ 1: 2 và 1: 3 cho động cơ servo. Hộp giảm tốc 90 độ là một loại hộp số thay đổi hướng lực để đáp ứng một số yêu cầu của thiết kế cơ chế đặc biệt. Nó có thể kết nối với Bàn quay rỗng, Bàn quay rỗng góc phải và bộ giảm tốc hành tinh để thay đổi hướng lực và tăng tỷ số truyền.
1. Đặc điểm kỹ thuật của Bộ giảm tốc 90 độ GSZ60-02K-SV và GSZ60-03K-SV


Tham số | ||
Loại trục đầu ra | Trục đơn D / Trục đôi S / Trục rỗng H | |
Tỉ số truyền | 1: 2 | 1: 3 |
Mô-men xoắn cho phép Nm | 48 | 35 |
Mô-men xoắn phá hủy Nm | 158 | 116 |
Tốc độ đầu vào cho phép | vòng / phút | 2500 |
Phản ứng dữ dội | tối thiểu | 0,5 |
Cân nặng | Kilôgam | 1.2 |


2. Bộ giảm tốc 90 độ là gì?
3. Tính năng sản phẩm là gì?
4. Có bao nhiêu mẫu có sẵn?

Để biết thêm chi tiết, xin vui lòng tham khảo Danh mục đính kèm. (tải xuống bản PDF trong trang này)
5. Làm thế nào để đạt được đầu ra tỷ lệ bánh răng lớn hơn?



6. Loại thiết bị nào có thể sử dụng Bộ giảm tốc 90 độ?


Để biết thêm video, vui lòng nhấp vào Kênh Youtube của GIGAGER: https://www.youtube.com/playlist?list=PLT-2VrhPP3YItwfN_wA4YkS8bzfBpJu39
7. Làm thế nào để chọn đúng mẫu cho thiết bị của tôi?
Vui lòng liên hệ với bộ phận bán hàng kỹ thuật của chúng tôi.
8. Làm cách nào để cài đặt Động cơ Servo lên Bộ giảm tốc 90 độ?
Vui lòng tham khảo Danh mục hoặc liên hệ với bán hàng kỹ thuật của chúng tôi.
9. Tại sao chọn GIGAGER?




10. Câu hỏi thường gặp


Chú phổ biến: Giảm tốc 90 độ, Trung Quốc, nhà sản xuất, nhà cung cấp, nhà máy, chất lượng cao